特長:追加工がしやすい平歯車です。

品番末尾Hは、歯部高周波焼入済です。

用途:一般産業機械、医療機器、食品機械に使用。

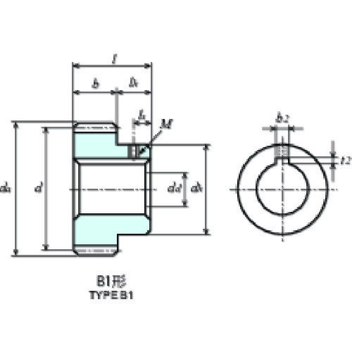
仕様:モジュール:2歯数:48形状:B1基準円直径(mm):φ96歯幅(mm):20穴径(mm):φ20歯先円直径:φ100全長(mm):30キーみぞb2×t2(mm):6×2.8ハブ外径:φ50歯先円直径(mm):φ100取付ねじM:M5取付ねじls:5ハブ長さ(mm):10ハブ外径(mm):φ50歯車精度:JIS B 1702-1(ISO)8級(歯部高周波焼入品:9級)歯形:並歯圧力角:20°材質/仕上:機械構造用炭素鋼(S45C)セット内容/付属品:キー材セットスクリュー

一緒に買われている商品

bs2020 関連ツイート

© bs2020をこよなく愛するサイト♪
Designed by uiCookies

ノンアルコールビールセット を通販でお取りよせ